STM32F103RBT6
IC MCU 32BIT 128KB FLASH 64LQFP
Features
■ Core: ARM 32-bit Cortex™-M3 CPU
– 72 MHz maximum frequency, 1.25 DMIPS/MHz (Dhrystone 2.1) performance at 0 wait state memory access
– Single-cycle multiplication and hardware division
■ Memories
– 64 or 128 Kbytes of Flash memory
– 20 Kbytes of SRAM
■ Clock, reset and supply management
– 2.0 to 3.6 V application supply and I/Os
– POR, PDR, and programmable voltage detector (PVD)
– 4-to-16 MHz crystal oscillator
– Internal 8 MHz factory-trimmed RC
– Internal 40 kHz RC
– PLL for CPU clock
– 32 kHz oscillator for RTC with calibration
■ Low power
– Sleep, Stop and Standby modes
– VBAT supply for RTC and backup registers
■ 2 x 12-bit, 1 µs A/D converters (up to 16 channels)
– Conversion range: 0 to 3.6 V
– Dual-sample and hold capability
– Temperature sensor
■ DMA
– 7-channel DMA controller
– Peripherals supported: timers, ADC, SPIs, I2Cs and USARTs
■ Up to 80 fast I/O ports
– 26/37/51/80 I/Os, all mappable on 16 external interrupt vectors and almost all 5 V-tolerant
■ Debug mode
– Serial wire debug (SWD) & JTAG interfaces
■ 7 timers
– Three 16-bit timers, each with up to 4 IC/OC/PWM or pulse counter and quadrature (incremental) encoder input
– 16-bit, motor control PWM timer with dead time generation and emergency stop
– 2 watchdog timers (Independent and Window)
– SysTick timer: a 24-bit downcounter
■ Up to 9 communication interfaces
– Up to 2 x I2C interfaces (SMBus/PMBus)
– Up to 3 USARTs (ISO 7816 interface, LIN, IrDA capability, modem control)
– Up to 2 SPIs (18 Mbit/s)
– CAN interface (2.0B Active)
– USB 2.0 full-speed interface
■ CRC calculation unit, 96-bit unique ID
■ Packages are ECOPACK®

2 Description
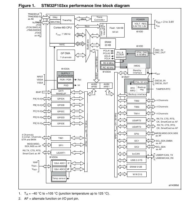
The STM32F103x8 and STM32F103xB performance line family incorporates the high performance ARM Cortex™-M3 32-bit RISC core operating at a 72 MHz frequency, high speed embedded memories (Flash memory up to 128 Kbytes and SRAM up to 20 Kbytes), and an extensive range of enhanced I/Os and peripherals connected to two APB buses. All devices offer two 12-bit ADCs, three general purpose 16-bit timers plus one PWM timer, as well as standard and advanced communication interfaces: up to two I2Cs and SPIs, three USARTs, an USB and a CAN.
The STM32F103xx medium-density performance line family operates from a 2.0 to 3.6 V power supply. It is available in both the –40 to +85 °C temperature range and the –40 to +105 °C extended temperature range. A comprehensive set of power-saving mode allows the design of low-power applications.
The STM32F103xx medium-density performance line family includes devices in six different package types: from 36 pins to 100 pins. Depending on the device chosen, different sets of peripherals are included, the description below gives an overview of the complete range of peripherals proposed in this family.
These features make the STM32F103xx medium-density performance line microcontroller family suitable for a wide range of applications:
● Motor drive and application control
● Medical and handheld equipment
● PC peripherals gaming and GPS platforms
● Industrial applications: PLC, inverters, printers, and scanners
● Alarm systems, Video intercom, and HVAC
2.1 Device overview

2.2 Full compatibility throughout the family

The STM32F103xx is a complete family whose members are fully pin-to-pin, software and feature compatible. In the reference manual, the STM32F103x4 and STM32F103x6 are identified as low-density devices, the STM32F103x8 and STM32F103xB are referred to as medium-density devices, and the STM32F103xC, STM32F103xD and STM32F103xE are referred to as high-density devices.
Low- and high-density devices are an extension of the STM32F103x8/B devices, they are specified in the STM32F103x4/6 and STM32F103xC/D/E datasheets, respectively. Low density devices feature lower Flash memory and RAM capacities, less timers and peripherals. High-density devices have higher Flash memory and RAM capacities, and additional peripherals like SDIO, FSMC, I2S and DAC, while remaining fully compatible with the other members of the STM32F103xx family.
The STM32F103x4, STM32F103x6, STM32F103xC, STM32F103xD and STM32F103xE are a drop-in replacement for STM32F103x8/B medium-density devices, allowing the user to try different memory densities and providing a greater degree of freedom during the development cycle.
Moreover, the STM32F103xx performance line family is fully compatible with all existing STM32F101xx access line and STM32F102xx USB access line devices.

- LP8557IEVM_TI(德州仪器)中文资料_英文资料_价格_PDF手册
- LAUNCHXL-F28027F TI(德州仪器)中文资料_英文资料_价格_PDF手册
- DLPDLCR160CPEVM DLP160CP TI(德州仪器)中文资料_英文资料_价格_PDF手册
- THS4631DDAEVM TI(德州仪器)中文资料_英文资料_价格_PDF手册
- DAC3482EVM TI(德州仪器)中文资料_英文资料_价格_PDF手册
- THS4302EVM TI(德州仪器)中文资料_英文资料_价格_PDF手册
- ADS7038Q1EVM-PDK_TI(德州仪器)中文资料_英文资料_价格_PDF手册
- LM3450AEV230V30/NOPB_TI(德州仪器)中文资料_英文资料_价格_PDF手册
- TPS72728DSEEVM-406_TI(德州仪器)中文资料_英文资料_价格_PDF手册
- WL1835MODCOM8A_TI(德州仪器)中文资料_英文资料_价格_PDF手册
- TAS5424BQ1DKDEVM_TI(德州仪器)中文资料_英文资料_价格_PDF手册
- ADS7042EVM-PDK_TI(德州仪器)中文资料_英文资料_价格_PDF手册
- TMDS570LS31HDK_TI(德州仪器)中文资料_英文资料_价格_PDF手册
- VCA8500BOARD_TI(德州仪器)中文资料_英文资料_价格_PDF手册
- DEM-SOT223LDO_TI(德州仪器)中文资料_英文资料_价格_PDF手册
