FDC2214EVM
EVAL BOARD FOR FDC2214
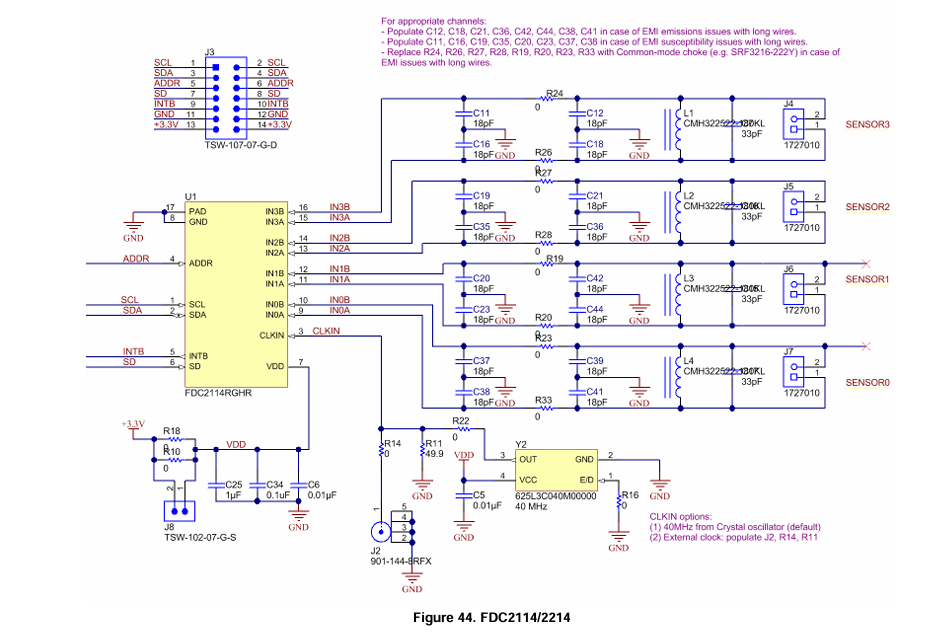
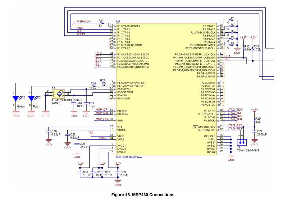
1 Overview The FDC2114/2214 EVM demonstrates the use of capacitive sensing technology to sense and measure the presence or position of target objects. The EVM contains two example LC tank sensors that are connected to the FDC2114/2214 input channels. The latter is controlled by an MSP430, which interfaces to a host computer.

The FDC2114/2214EVM includes two example PCB sensors. Each sensor consists of a single-layer capacitor plate, a 33pF 1% COG/NP0 capacitor, and a 18μH connected in parallel to form an LC tank.
PCB perforations allow separation of the sensor coils or the microcontroller, so that custom sensors or a different microcontroller can be connected.
2 Sensing Solutions EVM GUI
The Sensing Solutions EVM GUI provides direct device register access, user-friendly configuration, and data streaming.
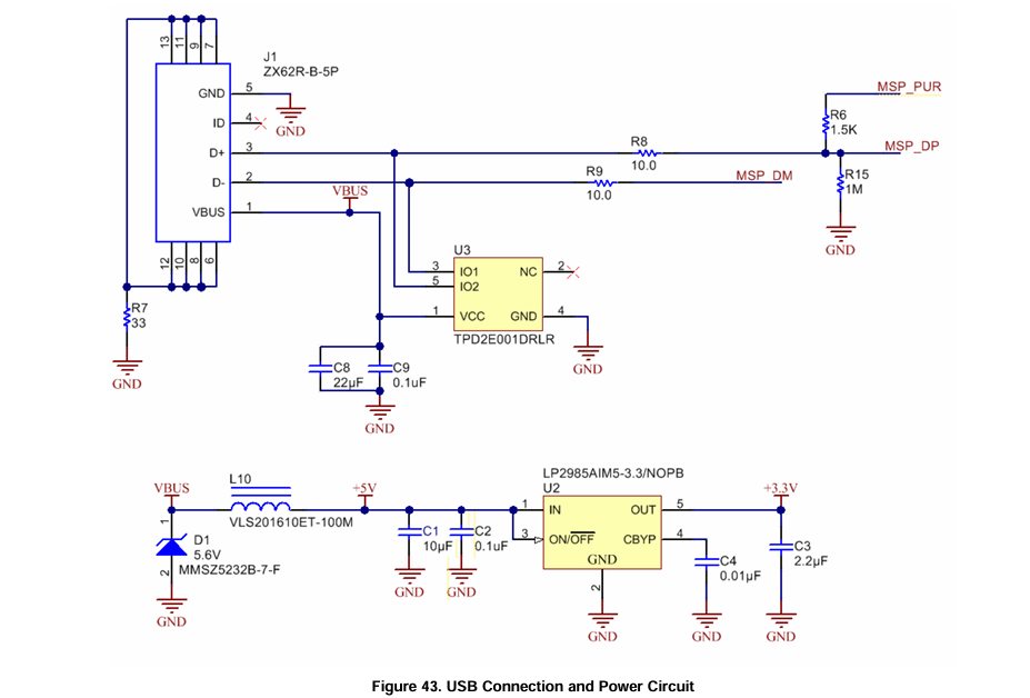
3 FDC2114/2214 EVM Schematics and LayoutDownload the software ZIP file from the EVM tool page





- LP8557IEVM_TI(德州仪器)中文资料_英文资料_价格_PDF手册
- LAUNCHXL-F28027F TI(德州仪器)中文资料_英文资料_价格_PDF手册
- DLPDLCR160CPEVM DLP160CP TI(德州仪器)中文资料_英文资料_价格_PDF手册
- THS4631DDAEVM TI(德州仪器)中文资料_英文资料_价格_PDF手册
- DAC3482EVM TI(德州仪器)中文资料_英文资料_价格_PDF手册
- THS4302EVM TI(德州仪器)中文资料_英文资料_价格_PDF手册
- ADS7038Q1EVM-PDK_TI(德州仪器)中文资料_英文资料_价格_PDF手册
- LM3450AEV230V30/NOPB_TI(德州仪器)中文资料_英文资料_价格_PDF手册
- TPS72728DSEEVM-406_TI(德州仪器)中文资料_英文资料_价格_PDF手册
- WL1835MODCOM8A_TI(德州仪器)中文资料_英文资料_价格_PDF手册
- TAS5424BQ1DKDEVM_TI(德州仪器)中文资料_英文资料_价格_PDF手册
- ADS7042EVM-PDK_TI(德州仪器)中文资料_英文资料_价格_PDF手册
- TMDS570LS31HDK_TI(德州仪器)中文资料_英文资料_价格_PDF手册
- VCA8500BOARD_TI(德州仪器)中文资料_英文资料_价格_PDF手册
- DEM-SOT223LDO_TI(德州仪器)中文资料_英文资料_价格_PDF手册
