MP4560DN-LF-Z
IC REG BUCK ADJ 2A 8SOIC
DESCRIPTION
The MP4560 is a high frequency step-down switching regulator with integrated internal high side high voltage power MOSFET. It provides 2A output with current mode control for fast loop response and easy compensation.
The wide 3.8V to 55V input range accommodates a variety of step-down applications, including those in automotive input environment. A 12µA shutdown mode supply current allows use in battery-powered applications.
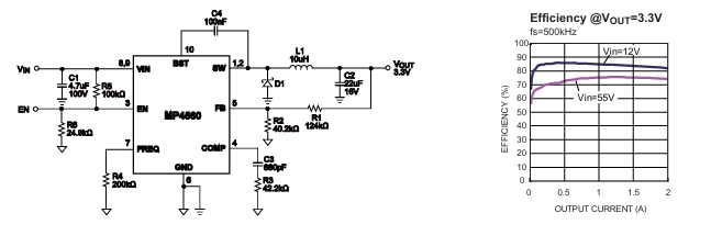
High power conversion efficiency over a wide load range is achieved by scaling down the switching frequency at light load condition to reduce the switching and gate driving losses.
The frequency foldback helps prevent inductor current runaway during startup and thermal shutdown provides reliable, fault tolerant operation
By switching at 2MHz, the MP4560 is able to prevent EMI (Electromagnetic Interference) noise problems, such as those found in AM radio and ADSL applications.
The MP4560 is available in small 3mm x 3mm 10-pin QFN and SOIC8 with exposed pad packages.
FEATURES
· Wide 3.8V to 55V Operating Input Range ·
· 250mΩ Internal Power MOSFET ·
· Up to 2MHz Programmable Switching Frequency ·
· 140μA Quiescent Current ·
· Ceramic Capacitor Stable ·
· Internal Soft-Start ·
· Up to 95% Efficiency ·
· Output Adjustable from 0.8V to 52V ·
· Available in 3x3 10-Pin QFN and SOIC8 with Exposed Pad Packages
APPLICATIONS
· High Voltage Power Conversion ·
· Automotive Systems ·
· Industrial Power Systems ·
· Distributed Power Systems ·
· Battery Powered Systems
TYPICAL APPLICATION

- LP8557IEVM_TI(德州仪器)中文资料_英文资料_价格_PDF手册
- LAUNCHXL-F28027F TI(德州仪器)中文资料_英文资料_价格_PDF手册
- DLPDLCR160CPEVM DLP160CP TI(德州仪器)中文资料_英文资料_价格_PDF手册
- THS4631DDAEVM TI(德州仪器)中文资料_英文资料_价格_PDF手册
- DAC3482EVM TI(德州仪器)中文资料_英文资料_价格_PDF手册
- THS4302EVM TI(德州仪器)中文资料_英文资料_价格_PDF手册
- ADS7038Q1EVM-PDK_TI(德州仪器)中文资料_英文资料_价格_PDF手册
- LM3450AEV230V30/NOPB_TI(德州仪器)中文资料_英文资料_价格_PDF手册
- TPS72728DSEEVM-406_TI(德州仪器)中文资料_英文资料_价格_PDF手册
- WL1835MODCOM8A_TI(德州仪器)中文资料_英文资料_价格_PDF手册
- TAS5424BQ1DKDEVM_TI(德州仪器)中文资料_英文资料_价格_PDF手册
- ADS7042EVM-PDK_TI(德州仪器)中文资料_英文资料_价格_PDF手册
- TMDS570LS31HDK_TI(德州仪器)中文资料_英文资料_价格_PDF手册
- VCA8500BOARD_TI(德州仪器)中文资料_英文资料_价格_PDF手册
- DEM-SOT223LDO_TI(德州仪器)中文资料_英文资料_价格_PDF手册
