TPA3136D2EVM
1 Hardware Overview
The TPA3136D2 EVM customer evaluation module demonstrates the TPA3136D2 integrated circuit from TI.
The TPA3136D2 is a 10-W (per channel) efficient stereo digital amplifier power stage for driving 2 bridgetied speakers. This document covers EVM specifications and design documentation that includes schematics, a parts list, and layout design

2 Operation
This section describes the TPA3136D2EVM board in regards to power supply and system interfaces. Information regarding handling and unpacking, absolute operating conditions, and a description of the factory default switch and jumper configuration are provided.
The following is a step-by-step guide to configuring the TPA3136D2EVM for device evaluation.
2.1 Electrostatic Discharge Warning
Many of the components on the TPA3136D2EVM are susceptible to damage by electrostatic discharge (ESD). Customers are advised to observe proper ESD handling precautions when unpacking and handling the EVM, including the use of a grounded wrist strap at an approved ESD workstation.
2.2 Unpacking the EVM
On opening the TPA3136D2EVM package, ensure that the following item is included:
• 1 piece TPA3136D2EVM board using one TPA3136D2
If this item is missing, contact the Texas Instruments Product Information Center nearest you to inquire about a replacement.
2.3 Power Supply Setup
A single power supply is required to power up the EVM. Since most of the pins are PVCC-compliant, the PVCC supply can also be used to power the analog supply (AVCC) and can be used to pull up the logic pins for shutdown (SD) control, and fault detection (FAULT).
2.4 Evaluation Module Preparations
Prepare the EVM in the following manner:
1. Ensure that the external power source is set to OFF.
2. Connect the external regulated power supply adjusted from 4.5 V to 14.4 V to the module PVCC and GND banana jacks taking care to observe marked polarity.
2.5 Inputs and Outputs
Configure the inputs and outputs on the EVM:
1. For a BTL configuration, connect a load or loads across the outputs (OUTL+ and OUTL–) and (OUTR+ and OUTR–).
2. For PBTL configuration, connect a single load from one of the left speaker jacks to one of the right speaker jacks, depending on how the filters are loaded. Apply a single input, differential or singleended, to the RIN RCA phono plug and PBTL pin (pin 14) is tied high with J13 o
2.6 Power Up
Use the following settings for power up:
1. Select the desired gain and mode of operation via J13 (IN = BTL, OUT = PBTL). Configure the input mode (J6/J10, OUT = Differential input mode, IN = Single-ended input mode).Verify correct voltage and input polarity and turn the external power supplies ON. The EVM should begin operation.
2. Adjust the audio source for the correct volume.
2.7 Recommended Settings
The following list provides the settings for two different configurations:
1. Single-ended input, auto-recovery mode, without Plimit, BTL (stereo output)
2. Single-ended input, auto-recovery mode, PBTL (mono output)
3 Board Layouts, Bill of Materials, and Schematic
3.1 TPA3136D2EVM Board Layouts
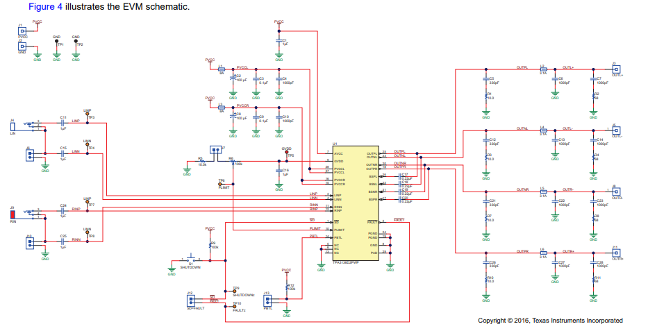
3.2 TPA3136D2EVM Schematic

- LP8557IEVM_TI(德州仪器)中文资料_英文资料_价格_PDF手册
- LAUNCHXL-F28027F TI(德州仪器)中文资料_英文资料_价格_PDF手册
- DLPDLCR160CPEVM DLP160CP TI(德州仪器)中文资料_英文资料_价格_PDF手册
- THS4631DDAEVM TI(德州仪器)中文资料_英文资料_价格_PDF手册
- DAC3482EVM TI(德州仪器)中文资料_英文资料_价格_PDF手册
- THS4302EVM TI(德州仪器)中文资料_英文资料_价格_PDF手册
- ADS7038Q1EVM-PDK_TI(德州仪器)中文资料_英文资料_价格_PDF手册
- LM3450AEV230V30/NOPB_TI(德州仪器)中文资料_英文资料_价格_PDF手册
- TPS72728DSEEVM-406_TI(德州仪器)中文资料_英文资料_价格_PDF手册
- WL1835MODCOM8A_TI(德州仪器)中文资料_英文资料_价格_PDF手册
- TAS5424BQ1DKDEVM_TI(德州仪器)中文资料_英文资料_价格_PDF手册
- ADS7042EVM-PDK_TI(德州仪器)中文资料_英文资料_价格_PDF手册
- TMDS570LS31HDK_TI(德州仪器)中文资料_英文资料_价格_PDF手册
- VCA8500BOARD_TI(德州仪器)中文资料_英文资料_价格_PDF手册
- DEM-SOT223LDO_TI(德州仪器)中文资料_英文资料_价格_PDF手册
