ADC12xJ1600
具有 JESD204C 接口的四通道/双通道/单通道、1.6GSPS、12 位模 数转换器 (ADC)
1 特性
• ADC 内核:
– 分辨率:12 位
– 最大采样率:1.6GSPS
– 非交错式架构
– 内部抖动可减少高次谐波
• 性能规格 (–1dBFS):
– SNR (100MHz):57.4dBFS
– ENOB (100MHz):9.1 位
– SFDR (100MHz):64dBc
– 本底噪声 (–20dBFS):
–147dBFS
• 满量程输入电压:80mVPP-DIFF
• 全功率输入带宽:6GHz
• JESD204C 串行数据接口:
– 总共支持 2 至 8 个(四通道、双通道)或 1 至 4 个(单通道)串行器/解串器通道
– 最大波特率:17.16Gbps
– 64B/66B 和 8B/10B 编码模式
– 子类 1 支持确定性延迟
– 与 JESD204B 接收器兼容
• 可选的内部采样时钟生成
– 内部 PLL 和 VCO(7.2GHz 至 8.2GHz)
• SYSREF 窗口可简化同步
• 四个时钟输出可简化系统时钟
– FPGA 或相邻 ADC 的参考时钟
– 串行器/解串器收发器的参考时钟
• 脉冲系统的时间戳输入和输出
• 功耗 (1GSPS):
– 四通道:477mW/通道
– 双通道:700mW/通道
– 单通道:1000mW
• 电源:1.1V、1.9V
2 应用
• 激光雷达 (LiDAR)
• 手持式测试设备
• 多通道示波器和数字转换器
• 无线通信测试设备
• 光学相干层析成像 (OCT)
• 电子战(信号情报、电子情报)
• 卫星通信 (SATCOM)
3 说明
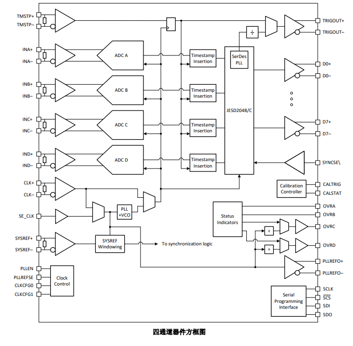
ADC12xJ1600 是一系列 12 位、1.6GSPS 四通道/双 通道/单通道模数转换器 (ADC),ADC12xJ1600 具有 低功耗、高采样率和 12 位分辨率,非常适合用于各种 多通道通信和测试系统。
6GHz 的全功率输入带宽 (-3dB) 还支持 L 频带和 S 频 带的直接射频采样。
包含许多时钟功能以放宽系统硬件要求,例如带有集成 压控振荡器 (VCO) 的内部锁相环 (PLL),用于生成采 样时钟。提供了四个时钟输出,以便对 FPGA 或 ASIC 的逻辑和串行器/解串器进行计时。为脉冲系统提供了 时间戳输入和输出。
JESD204C 串行接口通过减少印刷电路板 (PCB) 布线 量来减小系统尺寸。接口模式支持 2 至 8 个通道(双 通道和四通道器件)或 1 至 4 个通道(单通道器件) 和高达 17.16Gbps 的串行器/解串器波特率,从而使每 个应用能够实现最佳配置。

- LM3450AEV230V30/NOPB_TI(德州仪器)中文资料_英文资料_价格_PDF手册
- TPS72728DSEEVM-406_TI(德州仪器)中文资料_英文资料_价格_PDF手册
- WL1835MODCOM8A_TI(德州仪器)中文资料_英文资料_价格_PDF手册
- TAS5424BQ1DKDEVM_TI(德州仪器)中文资料_英文资料_价格_PDF手册
- ADS7042EVM-PDK_TI(德州仪器)中文资料_英文资料_价格_PDF手册
- TMDS570LS31HDK_TI(德州仪器)中文资料_英文资料_价格_PDF手册
- VCA8500BOARD_TI(德州仪器)中文资料_英文资料_价格_PDF手册
- DEM-SOT223LDO_TI(德州仪器)中文资料_英文资料_价格_PDF手册
- DAC8564EVM_TI(德州仪器)中文资料_英文资料_价格_PDF手册
- ADS8412EVM _TI(德州仪器)中文资料_英文资料_价格_PDF手册
- TPS61500EVM-369_TI(德州仪器)中文资料_英文资料_价格_PDF手册
- TPS7A6050EVM_TI(德州仪器)中文资料_英文资料_价格_PDF手册
- ADC3244EVM_TI(德州仪器)中文资料_英文资料_价格_PDF手册
- TMS320F280025C_TI(德州仪器)中文资料_英文资料_价格_PDF手册
- THS3217EVM _TI(德州仪器)中文资料_英文资料_价格_PDF手册
