AMC1304L05EVM
This user's guide describes the characteristics, operation, and use of the AMC1304EVM. The AMC1304EVM is designed for prototyping and evaluation. A complete circuit description, schematic diagram, and bill of materials are included.
Throughout this document, the abbreviation EVM and the term evaluation module are synonymous with the AMC1304EVM.
The following related documents are available through the Texas Instruments web site at www.ti.com.
1 Overview
1.1 Features
• Full-featured evaluation module for the AMC1304 single-channel, isolated, delta-sigma (ΔΣ) modulator
• Screw terminals for easy access to analog inputs, clock input, and modulator data output
• Optional isolated power to the AMC1304 low-dropout regulator (LDO) input derived from the controllerside power supply
1.2 Introduction
The AMC1304 is a single-channel, second-order, switched-capacitor, ΔΣ modulator with an output separated from the input interface circuitry by a capacitive isolation barrier. The isolation barrier provides galvanic isolation of up to 7000 VPEAK. The AMC1304 can be used to achieve 16 bits of resolution when paired with a digital filter (such as the ΔΣ filter module in the TMS320F28377D or the AMC1210).
2 Analog Interface
The analog input to the AMC1304 is routed from the two-wire screw terminal at J2. This screw terminal gives the user access to the inverting and noninverting inputs of the AMC1304 device installed at U1.
2.1 Analog Inputs
The analog input to the AMC1304EVM printed circuit board (PCB) consists of a simple RC filter circuit. The input circuitry for the AMC1304 is shown in Figure 1.

3 Digital Interface
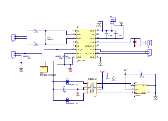
The AMC1304EVM is designed for use with digital filters, such as the ΔΣ filter module in the TMS320F28377D or the AMC1210. The power, clock input, and modulator data output of the AMC1304 device are routed to the two-wire screw terminals at J1, J3, and J4, as Figure 2 shows.

Note that component R3 in Figure 2 is marked as DNP (do not populate) because Figure 2 corresponds to an AMC1304EVM populated with a CMOS variant of the AMC1304. Refer to Table 2 for additional details about the analog input ranges and interfaces available in the AMC1304 family.
4 Power Supplies
Power for the controller side of the AMC1304 device is supplied through the two-wire screw terminal at J1.
The user has two options to provide power for the high side of the AMC1304 device (note that in both options, power is provided to the LDO input on pin 6 of the AMC1304). One option is to supply the high side of the AMC1304 through the two-wire screw terminal at J5; to accomplish that, the user must set jumper JP1 to the position labeled Ext; see Figure 3.

The second option is to supply the high side of the AMC1304 with the filtered signal coming from the isolated side of the onboard transformer T1. Note that the filtered signal on the isolated side of T1 is generated from the power supplied to the controller side of the AMC1304 device by using the SN6501 transformer driver located at U2. To take advantage of this isolated, onboard supply, the user must set jumper JP1 to the position labeled Iso, as shown in Figure 4.

The design of the isolated, unregulated power source to the AMC1304 LDO input closely follows the TIPD121 Design Reference Guide, 0-5 A, Single-Supply, 2 kV Isolated Current Sensing Solution (SLAU521).
The SN6501 transformer driver is used because it is designed for low-power, push-pull converters with input voltages in the range of 3 V to 5.5 V; such voltage range fits well within the AMC1304 controller-side supply range. Two important components in the dc-dc converter are the isolation transformer and the rectifier diode.
4.1 Transformer Selection
To prevent the isolation transformer from saturating, its volt-seconds (V-t) product must be greater than the maximum volt-seconds product applied by the SN6501. The maximum voltage delivered by the SN6501 is the nominal converter input plus a 10% margin. The maximum time this voltage is applied to the primary is half the period of the lowest frequency at the specified input voltage. The minimum switching frequency of the SN6501 at 5-V operation is 300 kHz. Therefore, the transformer minimum V-t product under these conditions, as determined by equations (1) and (2) in the SN6501 data sheet data sheet, is 9.1 Vμs. The specified V-t product of the isolation transformer selected (DA2304) is well above this 9.1-Vμs requirement.
When searching for a suitable transformer, the minimum turns ratio required must be determined; such a ratio allows the push-pull converter to operate over the specified current and temperature range. The minimum turns ratio required can be expressed through the ratio of secondary to primary voltage multiplied by a correction factor that takes into account the transformer typical efficiency. Equations (3) through (8) in the SN6501 data sheet show the specific requirements for determining the minimum turns ratio for a given application. The DA2304 has a 1:2.2 turns ratio; such a ratio produces an unregulated, open-circuit voltage output well within the AMC1304 low-dropout regulator input range.
4.2 Rectifier Diode Selection
The chosen rectifier diode must possess low forward voltage to provide as much voltage to the converter output as possible. When used in high-frequency switching applications, the rectifier must also possess a short recovery time. Schottky diodes meet both of these requirements. The MBR0520L with a typical forward voltage of approximately 100 mV at 8-mA forward current is used in this low-voltage design. Figure 5 illustrates the forward voltage versus forward current characteristics of the MBR0520L diode.

5 EVM Set-Up and Operation
This section describes the general operation of the AMC1304EVM.
6 BOM, Schematic, and Layout
This section contains the complete bill of materials (BOM), schematic diagram, and PCB layout for the AMC1304EVM.
6.1 Printed Circuit Board Layout
Figure 6 shows the PCB layout

6.2 Schematic
The AMC1304EVM schematic is appended to the end of this document.
6.3 Bill of Materials
Note that items 14 and 16 of the bill of materials depend on the type of AMC1304 used in the EVM. Resistor R3 is populated only when the AMC1304 used is the AMC1304L05 or the AMC1304L25. R3 is not populated for EVMs that use the AMC1304M05 or AMC1304M25.

- LM3450AEV230V30/NOPB_TI(德州仪器)中文资料_英文资料_价格_PDF手册
- TPS72728DSEEVM-406_TI(德州仪器)中文资料_英文资料_价格_PDF手册
- WL1835MODCOM8A_TI(德州仪器)中文资料_英文资料_价格_PDF手册
- TAS5424BQ1DKDEVM_TI(德州仪器)中文资料_英文资料_价格_PDF手册
- ADS7042EVM-PDK_TI(德州仪器)中文资料_英文资料_价格_PDF手册
- TMDS570LS31HDK_TI(德州仪器)中文资料_英文资料_价格_PDF手册
- VCA8500BOARD_TI(德州仪器)中文资料_英文资料_价格_PDF手册
- DEM-SOT223LDO_TI(德州仪器)中文资料_英文资料_价格_PDF手册
- DAC8564EVM_TI(德州仪器)中文资料_英文资料_价格_PDF手册
- ADS8412EVM _TI(德州仪器)中文资料_英文资料_价格_PDF手册
- TPS61500EVM-369_TI(德州仪器)中文资料_英文资料_价格_PDF手册
- TPS7A6050EVM_TI(德州仪器)中文资料_英文资料_价格_PDF手册
- ADC3244EVM_TI(德州仪器)中文资料_英文资料_价格_PDF手册
- TMS320F280025C_TI(德州仪器)中文资料_英文资料_价格_PDF手册
- THS3217EVM _TI(德州仪器)中文资料_英文资料_价格_PDF手册
