四通道、768kHz、Burr-Brown™ 音频 ADC 评估模块
ADC6140EVM-PDK 评估模块 (EVM) 可让用户测试 TLV320ADC6140 器件的功能,后者是一款四通道、高性能音频模数转换器 (ADC)。TLV320ADC6140 适用于声控系统、专业麦克风、音频会议、便携式计算、通信和娱乐应用。ADC6140EVM-PDK 与 AC-MB(一种弹性音频转换器主板,包含在套件中)搭配使用,可为 EVM 提供电源、控制和数字音频数据。

1 Introduction The ADCx140EVM-PDK is an evaluation module (EVM) designed to demonstrate the performance and functionality of the TLV320ADCx140 family of devices. This family includes the devices shown in Table 1 with differences in performance and function noted.
2 Hardware Overview The evaluation kit consists of the TLV320ADCx140EVB daughterboard and the AC-MB motherboard. The motherboard is used to provide power, control, and digital audio signals to the evaluation module. The daughterboard contains the TLV320ADCx140 device and its input connections. A detailed functional overview of the TLV320ADCx140EVB system is described in Section 5
2.1 AC-MB Settings
2.1.1 Audio Serial Interface Settings The AC-MB provides the digital audio digital signals to the evaluation module from the universal serial bus (USB), optical, stereo jack, and external audio serial interface (ASI) header. Figure 1 shows a block diagram of the ASI routing on the AC-MB.

Switch SW2 on the AC-MB selects the audio serial bus that interfaces with the TLV320ADC5140EVB. Next to switch SW2, the AC-MB has a quick reference table to identify the audio serial interface source options and switch settings. The AC-MB acts as the master for the audio serial interface, with three different modes of operation (see Figure 2): USB, optical or analog, or external ASI.
2.1.1.1 USB The serial interface clocks and data are provided from the USB interface. The sampling rate and format are determined by the USB audio class driver on the operating system. The default settings for the USB audio interface are 32-bit frame size, 48-kHz sampling rate, BCLK and FSYNC ratio is 256, and the format is time-division multiplexing (TDM).
The AC-MB is detected by the OS as an audio device with the name TI USB Audio UAC2.0. Figure 2 shows the AC-MB audio setting for the USB mode of operation.
2.1.1.2 Optical or Auxilary Analog Audio Input
Serial interface signals are provided from the PCM9211 digital transceiver, which is capable of sending digital data to the EVB from an analog input or optical input. Meanwhile, the data from the EVB can be streamed through the optical output. Figure 3 shows the AC-MB audio setting for the optical and analog mode of operation

The optical output of the AC-MB streams the data captured on the EVM with the format determined by the input source used. When there is an optical input connected, the LOCK LED must be ON, and the PCM9211 streams the audio serial interface clocks with the format determined by the optical input frame. The digital data from the optical input is streamed to the evaluation module. If the optical input is not connected, the PCM9211 captures the input signal provided through the analog input, and streams the signal to the evaluation module. This feature can be useful when a digital input DAC is connected to the AC-MB, providing an analog input for quick evaluation. In Auxiliary Analog Audio mode the audio serial interface format is fixed to a 24-bit, 48-kHz, I 2S mode.

2.1.1.3 External
In this mode, the audio serial interface clocks for the evaluation board are provided through connector J7 from an external source. This architecture allows the use of an external system to communicate with the evaluation board, such as a different host processor or test equipment (for instance, Audio Precision PSIA). The clocks generated from the USB interface and PCM9211 are isolated with this setting. Figure 4 shows the AC-MB audio setting for the external mode of operation.

Figure 5 shows how to connect the external audio interface, with the bottom row for the signal and the top row for ground.

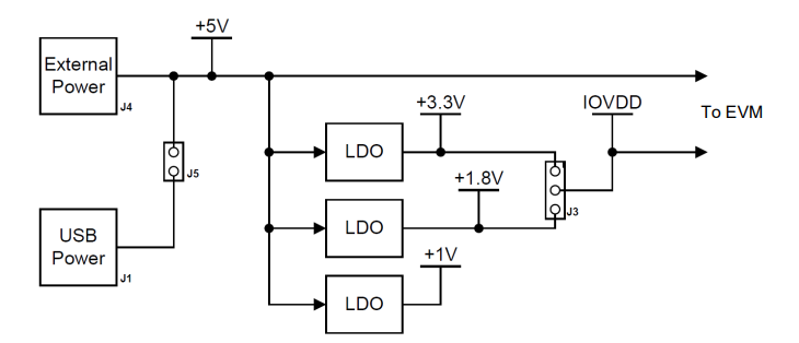
2.1.2 AC-MB Power Supply The complete EVM system is powered from a single 5-V power supply. However, the motherboard has different low-dropout regulators (LDOs) integrated that provide the required power supplies to the different blocks of the board. Figure 6 shows a block diagram depicting the power structure of the AC-MB.

The AC-MB can be powered from the host computer by using the USB 5-V power supply (VBUS) by shorting header J5, USB POWER. Additionally, the AC-MB can be powered from an external power supply connected to terminal J4, EXTERNAL POWER. Header J5 must be open for external supply operation. The IOVDD voltage for the digital signals that is provided to the evaluation module is generated on the motherboard from the main power supply (USB or external). The voltage levels available are 1.8 V and 3.3 V, and can be selected via the J3 header IOVDD. For 1.8-V operation, short pins 2 and 3 of header J3; for 3.3-V operation, short pins 1 and 2. When the motherboard is fully powered and the power supplies from the onboard LDOs are correct, the green POWER LED (D3) turns ON. The USB READY LED indicates that a successful USB communication is established between the AC-MB and the host computer.
2.2 ADCx140EVM-PDK Hardware Settings
The TLV320ADCx140 evaluation module has several input configuration options and offers extensive flexibility to allow the user to evaluate the device across multiple operation modes. The different operation modes are highlighted in this section. The INxP and INxM pins of the TLV320ADCx140 can optionally connect to an onboard microphone for quick evaluation, and can be optionally configured to bypass the input decoupling capacitors for evaluating the functionality of the digital microphones or GPIOs. Figure 7 shows the architecture of the inputs to the evaluation module.

2.2.1 Line Inputs
For the line input configuration (shown in Figure 8), the TLV320ADCx140 captures the audio signal provided through terminals J2 (IN1), J3 (IN2), J4 (IN3), and J5 (IN4). The input accepted in this mode is a differential, 2-VRMS, full-scale audio signal. If a single-ended source is used, the 1-VRMS signal is supported.

2.2.2 Onboard Microphone Input For the onboard microphone input configuration (shown in Figure 9), the TLV320ADCx140 records the audio captured from the microphones located on the bottom edge of the board. MICBIAS is used to power the onboard microphone, so header J14 must be shorted. There must not be any connections to J1 during onboard microphone use to preserve the performance of the microphone.

3 Software Overview
Texas Instrument's PurePath™ Console 3 (PPC3) graphical development suite is a program that serves as a platform for many of TI's audio products. PPC3 is designed to simplify the evaluation, configuration, and debug process associated with the development of audio products.
- LM3450AEV230V30/NOPB_TI(德州仪器)中文资料_英文资料_价格_PDF手册
- TPS72728DSEEVM-406_TI(德州仪器)中文资料_英文资料_价格_PDF手册
- WL1835MODCOM8A_TI(德州仪器)中文资料_英文资料_价格_PDF手册
- TAS5424BQ1DKDEVM_TI(德州仪器)中文资料_英文资料_价格_PDF手册
- ADS7042EVM-PDK_TI(德州仪器)中文资料_英文资料_价格_PDF手册
- TMDS570LS31HDK_TI(德州仪器)中文资料_英文资料_价格_PDF手册
- VCA8500BOARD_TI(德州仪器)中文资料_英文资料_价格_PDF手册
- DEM-SOT223LDO_TI(德州仪器)中文资料_英文资料_价格_PDF手册
- DAC8564EVM_TI(德州仪器)中文资料_英文资料_价格_PDF手册
- ADS8412EVM _TI(德州仪器)中文资料_英文资料_价格_PDF手册
- TPS61500EVM-369_TI(德州仪器)中文资料_英文资料_价格_PDF手册
- TPS7A6050EVM_TI(德州仪器)中文资料_英文资料_价格_PDF手册
- ADC3244EVM_TI(德州仪器)中文资料_英文资料_价格_PDF手册
- TMS320F280025C_TI(德州仪器)中文资料_英文资料_价格_PDF手册
- THS3217EVM _TI(德州仪器)中文资料_英文资料_价格_PDF手册

ADC6140EVM-PDK